Платина, тройская унция/USD, 30 дней
Платина, тройская унция/USD, 1 год
Лаборатории, работающие в области нанотехнологий, тоже используют платиновую лабораторную посуду.
Скачать каталог

Чашки для сжигания из платины, изделие 121

Дата: 26.05.2026
Курс доллара: 71,55 руб.
Стоимость платины за тройскую унцию / USD: 1 977,90 USD
Стоимость платины за грамм / рубль (без НДС): 4 549,93 руб.

 

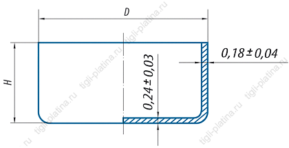
Изделие № 121

Номер изделия Вместимость, см3 D H Масса, г
121-1 10 35 12 10,0
121-2 45 50 23 23,0
Вся наша продукция сделана из чистейшей платины
Скачать каталог