Платина не вступает в реакцию практически со всеми кислотами. Скачать каталог
|
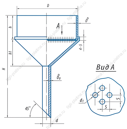
Воронки с цилиндром и решеткой из платины, изделие 125
Дата: 26.05.2026 Курс доллара: 71,55 руб. Стоимость платины за тройскую унцию / USD: 1 977,80 USD
Стоимость платины за грамм / рубль (без НДС): 4 549,70 руб.
Изделие № 125
 
| Номер изделия |
Вместимость, см3 |
D |
h |
h1 |
H |
d |
δ |
δ0 |
s |
d1 |
Масса, г |
| 125-1 |
55 |
56 |
24 |
25 |
100 |
6 |
0,25±0,04 |
0,35±0,04 |
1,5 |
1,0 |
70,0 |
| 125-2 |
120 |
72 |
30 |
32 |
127 |
8 |
0,29±0,05 |
0,35±0,04 |
1,75 |
1,25 |
125,0 |
| 125-3 |
225 |
92 |
35 |
41 |
156 |
10 |
0,35±0,06 |
0,5±0,05 |
2,0 |
1,5 |
240,0 |
| 125-4 |
450 |
120 |
40 |
54 |
194 |
12 |
0,44±0,08 |
0,5±0,05 |
2,25 |
1,75 |
510,0 |
Вся наша продукция сделана из чистейшей платины
Скачать каталог
|